Schnittdaten
Wendeschneidplatte
WCGT 020104 FN DT55
Empfehlung Drehen
Diese neutral schneidende Wendeschneidplatte der Grösse WC0201 ist unbeschichtet und aus einem Substrat aus Cermet. Sie entspricht dem Denitool-Grade DT55. Sie verfügt über einen Eckenradius von 0.40 mm, einen Spanwinkel von 15.0° sowie einen Freiwinkel von 7.0°. Die scharfe Schneidkante (F) eignet sich besonders gut zum Schlichten. Die maximale Schnitttiefe beträgt 0.40 mm. Sie eignet sich bestens für die Dreh-Bearbeitung von Stahl (P) und Nichteisenmetall (N). Es kann durchaus auch Gusseisen (K) gedreht werden.
- Substrat:
-
Cermet
– Fortschrittliches Cermet-Material für Schlichtanwendungen mit hervorragender Kantenschärfe und Wärmebeständigkeit – für ausgezeichnete Oberflächenqualität.
- Geometrie:
-
FN
– Scharfkantig, neutral – exzellente Präzision und Oberflächenqualität für universelles Schlichten.
- Sorte:
-
DT55
– Cermet unbeschichtet - Für Schlichtanwendungen in Stahl und leicht zerspanbaren rostfreien Stahl bei mittleren Schnittgeschwindigkeiten.
- Eckenradius:
-
0.4 mm
– Standardradius für stabile Schlicht- und Schruppprozesse mit hoher Prozesssicherheit. Schlichtvorschub f ≈ 0,15 – 0,25 mm/U → Ra ≈ 0,1 µm.
- Plattenwinkel:
-
80 °
– Für einfache Konturfolgen. Guter Kompromiss zwischen Stabilität und Schneidwirkung.
- Schnitttiefe ap (Drehen):
- zwischen 0.01 und 0.4 mm
Werkstoffgruppe |
vc max |
vc min |
f max |
f min |
P1 unlegierter Kohlenstoffstahl |
460 m/min |
250 m/min |
0.12 mm |
0.01 mm |
P2 Vergütungsstahl – Einsatzstahl |
440 m/min |
220 m/min |
0.12 mm |
0.01 mm |
K1 Grauguss |
180 m/min |
130 m/min |
0.12 mm |
0.01 mm |
K2 Grauguss – Temperguss |
160 m/min |
90 m/min |
0.05 mm |
0.01 mm |
N1 Kupfer‑Legierungen |
580 m/min |
450 m/min |
0.12 mm |
0.01 mm |
N5 Composite |
120 m/min |
30 m/min |
0.12 mm |
0.01 mm |
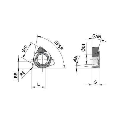
Eigenschaft |
Wert |
AN — Freiwinkel |
7.0° |
APMX — Schnitttiefe, max. |
0.40 mm |
COATING — Beschichtungsprozess |
Unbeschichtet |
D1 — Durchmesser Befestigungsbohrung |
2.20 mm |
EPSR — Eckenwinkel |
80.0° |
FirstChoiceToolItem — Erste Wahl |
Erste Wahl |
GAN — Spanwinkel, Schneidplatte |
15.0° |
GRADE — Denitool Grade |
DT55 |
HAND — Schneidrichtung |
Neutral |
IC — Inkreis |
3.97 mm |
IIC — Plattengrösse |
WC0201 |
L — Schneidkantenlänge |
2.72 mm |
LBB — Spanbrecherbreite |
1.40 mm |
LE — Schneidenlänge, begrenzt |
1.40 mm |
RE — Eckenradius |
0.40 mm |
REN — Eckenradius, Nebenecke |
0.00 mm |
S — Plattendicke |
1.59 mm |
SUBSTRATE — Hauptschneidstoff |
Cermet |
Zurück
Alle Technologiedaten sind unverbindliche Empfehlungen. Fachspezifisches Wissen im Umgang mit Zerspanungswerkzeugen wird durch diese Plattform nicht ersetzt. Vorschub und Schnitttiefe müssen so gewählt werden, dass der Spanquerschnitt eine Grösse nicht übersteigt, die Werkzeug oder Maschine beschädigen könnte, sowie der Stabilität von Werkstück und Aufspannung genügend Beachtung trägt.