Schnittdaten
Wendeschneidplatte

VCGT 130304 DX50
Diese neutral schneidende Wendeschneidplatte der Grösse VC1303 wird im PVD-Verfahren auf einem Substrat aus Hartmetall beschichtet. Sie entspricht dem Denitool-Grade DX50. Sie verfügt über einen Eckenradius von 0.40 mm, einen Spanwinkel von 12.0° sowie einen Freiwinkel von 7.0°. Die gehonte Schneidkante (E) ist robust und daher optimal zum Schruppen. Die maximale Schnitttiefe beträgt 3.00 mm. Sie eignet sich bestens für die Dreh-Bearbeitung von Stahl (P). Sie ist gut geeignet für das Drehen von Gusseisen (K). Es kann durchaus auch Nichteisenmetall (N) gedreht werden.
- Substrat:
- Wolframkarbid – Hochverschleissfester Hartmetallwerkstoff mit exzellenter Kombination aus Härte und Zähigkeit – ideal für universelle Dreh‑ und Fräsanwendungen.
- Geometrie:
- EN – Gerundet, neutral – hohe Kantentragfähigkeit und längere Standzeiten bei reduzierter Ausbruchsneigung.
- Sorte:
- DX50 – Für Stahl, schwer zerspanbaren rostfreien Stahl, Grau- und Sphäroguss bei hohen Schnittgeschwindigkeiten. Hohe thermische Stabilität. Für Trockenbearbeitung bestens geeignet.
- Eckenradius:
- 0.4 mm – Standardradius für stabile Schlicht- und Schruppprozesse mit hoher Prozesssicherheit. Schlichtvorschub f ≈ 0,15 – 0,25 mm/U → Ra ≈ 0,1 µm.
- Plattenwinkel:
- 35 ° – Wiederholgenauigkeit präziser als VCMT. Für sehr enge Konturfolgen.
- Schnitttiefe ap (Drehen):
- zwischen 0.07 und 3 mm
Werkstoffgruppe | vc max | vc min | f max | f min |
---|---|---|---|---|
P1 unlegierter Kohlenstoffstahl | 380 m/min | 260 m/min | 0.25 mm | 0.06 mm |
P2 Vergütungsstahl – Einsatzstahl | 360 m/min | 240 m/min | 0.25 mm | 0.06 mm |
P3 Vergütungsstahl – Werkzeugstahl | 320 m/min | 200 m/min | 0.25 mm | 0.06 mm |
P4 Hochlegierter Werkzeugstahl – Stahlguss | 260 m/min | 160 m/min | 0.25 mm | 0.06 mm |
P5 Hochlegierter Stahlguss | 200 m/min | 120 m/min | 0.25 mm | 0.06 mm |
K1 Grauguss | 280 m/min | 230 m/min | 0.25 mm | 0.06 mm |
K2 Grauguss – Temperguss | 250 m/min | 200 m/min | 0.25 mm | 0.06 mm |
N1 Kupfer‑Legierungen | 600 m/min | 500 m/min | 0.25 mm | 0.06 mm |
N4 Plastwerkstoff | 500 m/min | 100 m/min | 0.12 mm | 0.06 mm |
N5 Composite | 80 m/min | 30 m/min | 0.12 mm | 0.06 mm |

Eigenschaft | Wert |
---|---|
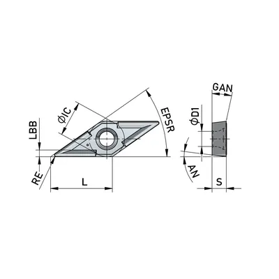
AN — Freiwinkel | 7.0° |
APMX — Schnitttiefe, max. | 3.00 mm |
COATING — Beschichtungsprozess | PVD |
D1 — Durchmesser Befestigungsbohrung | 3.40 mm |
EPSR — Eckenwinkel | 35.0° |
FirstChoiceToolItem — Erste Wahl | Erste Wahl |
GAN — Spanwinkel, Schneidplatte | 12.0° |
GRADE — Denitool Grade | DX50 |
HAND — Schneidrichtung | Neutral |
IC — Inkreis | 7.94 mm |
IIC — Plattengrösse | VC1303 |
L — Schneidkantenlänge | 13.84 mm |
LBB — Spanbrecherbreite | 1.50 mm |
LE — Schneidenlänge, begrenzt | 9.20 mm |
RE — Eckenradius | 0.40 mm |
REN — Eckenradius, Nebenecke | 0.00 mm |
S — Plattendicke | 3.18 mm |
SUBSTRATE — Hauptschneidstoff | Hartmetall |
Alle Technologiedaten sind unverbindliche Empfehlungen. Fachspezifisches Wissen im Umgang mit Zerspanungswerkzeugen wird durch diese Plattform nicht ersetzt. Vorschub und Schnitttiefe müssen so gewählt werden, dass der Spanquerschnitt eine Grösse nicht übersteigt, die Werkzeug oder Maschine beschädigen könnte, sowie der Stabilität von Werkstück und Aufspannung genügend Beachtung trägt.