Schnittdaten
Wendeschneidplatte
VCGT 070204-12 DX50
Empfehlung Drehen
Empfehlung Fräsen
Diese neutral schneidende Wendeschneidplatte der Grösse VC0702 wird im PVD-Verfahren auf einem Substrat aus Hartmetall beschichtet. Sie entspricht dem Denitool-Grade DX50. Sie verfügt über einen Eckenradius von 0.40 mm, einen Spanwinkel von 12.0° sowie einen Freiwinkel von 7.0°. Die scharfe Schneidkante (F) eignet sich besonders gut zum Schlichten. Die maximale Schnitttiefe beträgt 1.50 mm. Sie eignet sich bestens für die Dreh-Bearbeitung von Stahl (P) und Gusseisen (K). Es kann durchaus auch Nichteisenmetall (N) gedreht werden. Für das Fräsen von Stahl (P) und Gusseisen (K) ist sie gut geeignet. Fräs-Bearbeitungen an Nichteisenmetall (N) sind durchaus möglich.
- Substrat:
-
Wolframkarbid
– Hochverschleissfester Hartmetallwerkstoff mit exzellenter Kombination aus Härte und Zähigkeit – ideal für universelle Dreh‑ und Fräsanwendungen.
- Geometrie:
-
FN
– Scharfkantig, neutral – exzellente Präzision und Oberflächenqualität für universelles Schlichten.
- Sorte:
-
DX50
– Für Stahl, schwer zerspanbaren rostfreien Stahl, Grau- und Sphäroguss bei hohen Schnittgeschwindigkeiten. Hohe thermische Stabilität. Für Trockenbearbeitung bestens geeignet.
- Eckenradius:
-
0.4 mm
– Standardradius für stabile Schlicht- und Schruppprozesse mit hoher Prozesssicherheit. Schlichtvorschub f ≈ 0,15 – 0,25 mm/U → Ra ≈ 0,1 µm.
- Plattenwinkel:
-
35 °
– Wiederholgenauigkeit präziser als VCMT. Für sehr enge Konturfolgen.
- Schnitttiefe ap (Drehen):
- zwischen 0.01 und 1.5 mm
- Schnitttiefe ap (Fräsen):
- zwischen 0.01 und 5 mm
Werkstoffgruppe |
vc max |
vc min |
f max |
f min |
P1 unlegierter Kohlenstoffstahl |
380 m/min |
260 m/min |
0.12 mm |
0.01 mm |
P2 Vergütungsstahl – Einsatzstahl |
360 m/min |
240 m/min |
0.12 mm |
0.01 mm |
P3 Vergütungsstahl – Werkzeugstahl |
320 m/min |
200 m/min |
0.12 mm |
0.01 mm |
P4 Hochlegierter Werkzeugstahl – Stahlguss |
260 m/min |
160 m/min |
0.12 mm |
0.01 mm |
P5 Hochlegierter Stahlguss |
200 m/min |
120 m/min |
0.12 mm |
0.01 mm |
K1 Grauguss |
280 m/min |
230 m/min |
0.25 mm |
0.01 mm |
K2 Grauguss – Temperguss |
250 m/min |
200 m/min |
0.25 mm |
0.01 mm |
N1 Kupfer‑Legierungen |
600 m/min |
350 m/min |
0.25 mm |
0.01 mm |
N4 Plastwerkstoff |
500 m/min |
100 m/min |
0.12 mm |
0.01 mm |
N5 Composite |
80 m/min |
30 m/min |
0.12 mm |
0.01 mm |
Werkstoffgruppe |
vc max |
vc min |
fz max |
fz min |
P1 unlegierter Kohlenstoffstahl |
310 m/min |
240 m/min |
0.06 mm |
0.02 mm |
P2 Vergütungsstahl – Einsatzstahl |
280 m/min |
210 m/min |
0.05 mm |
0.02 mm |
P3 Vergütungsstahl – Werkzeugstahl |
230 m/min |
200 m/min |
0.05 mm |
0.02 mm |
P4 Hochlegierter Werkzeugstahl – Stahlguss |
240 m/min |
210 m/min |
0.05 mm |
0.02 mm |
P5 Hochlegierter Stahlguss |
200 m/min |
160 m/min |
0.04 mm |
0.02 mm |
K1 Grauguss |
260 m/min |
200 m/min |
0.08 mm |
0.02 mm |
K2 Grauguss – Temperguss |
180 m/min |
120 m/min |
0.07 mm |
0.02 mm |
N1 Kupfer‑Legierungen |
600 m/min |
350 m/min |
0.08 mm |
0.02 mm |
N4 Plastwerkstoff |
500 m/min |
100 m/min |
0.1 mm |
0.02 mm |
N5 Composite |
80 m/min |
30 m/min |
0.08 mm |
0.03 mm |
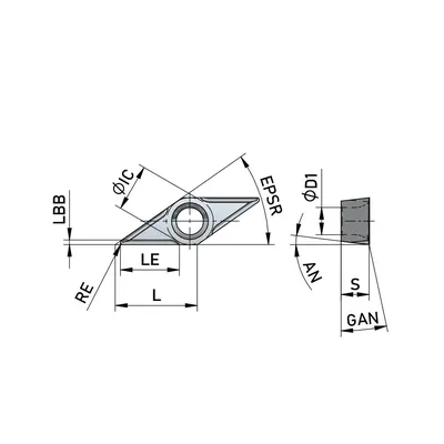
Eigenschaft |
Wert |
AN — Freiwinkel |
7.0° |
APMX — Schnitttiefe, max. |
1.50 mm |
COATING — Beschichtungsprozess |
PVD |
D1 — Durchmesser Befestigungsbohrung |
2.30 mm |
EPSR — Eckenwinkel |
35.0° |
FirstChoiceToolItem — Erste Wahl |
Erste Wahl |
GAN — Spanwinkel, Schneidplatte |
12.0° |
GRADE — Denitool Grade |
DX50 |
HAND — Schneidrichtung |
Neutral |
IC — Inkreis |
3.97 mm |
IIC — Plattengrösse |
VC0702 |
L — Schneidkantenlänge |
6.92 mm |
LBB — Spanbrecherbreite |
0.40 mm |
LE — Schneidenlänge, begrenzt |
4.30 mm |
RE — Eckenradius |
0.40 mm |
REN — Eckenradius, Nebenecke |
0.00 mm |
S — Plattendicke |
2.38 mm |
SUBSTRATE — Hauptschneidstoff |
Hartmetall |
Milling Capability |
P1 - Niedriglegierter Kohlenstoffstahl (Rm < 500 MPa - Härte 0.25%), P2 - Legierter Stahl (Rm 500-700 MPa - Härte 140-200 HB - C-Gehalt > 0.25%), P3 - Werkzeugstahl (Rm 900-1100 MPa - Härte 170-275 HB - C-Gehalt > 0.25%), P4 - Legierter Werkzeugstahl (Rm 700-900 MPa), P5 - Legierter Gussstahl (Rm 800-1500 MPa), K1 - Grauguss (Rm < 250 MPa), K2 - Gusseisen mit Kugelgraphit (Rm 250-350 MPa), N1 - Kupferlegierungen (Rm 450-650 MPa), N4 - Nylon - Kunststoffe - Gummis - Phenolharze - Harze - Glasfaser, N5 - Kohlenstoff - Graphit-Verbundwerkstoffe - CFRP |
Zurück
Alle Technologiedaten sind unverbindliche Empfehlungen. Fachspezifisches Wissen im Umgang mit Zerspanungswerkzeugen wird durch diese Plattform nicht ersetzt. Vorschub und Schnitttiefe müssen so gewählt werden, dass der Spanquerschnitt eine Grösse nicht übersteigt, die Werkzeug oder Maschine beschädigen könnte, sowie der Stabilität von Werkstück und Aufspannung genügend Beachtung trägt.