Schnittdaten
Wendeschneidplatte

SCGT 060204 EN DC15
Diese neutral schneidende Wendeschneidplatte der Grösse SC0602 wird im CVD-Verfahren auf einem Substrat aus Hartmetall beschichtet. Sie entspricht dem Denitool-Grade DC15. Sie verfügt über einen Eckenradius von 0.40 mm, einen Spanwinkel von 15.0° sowie einen Freiwinkel von 7.0°. Die gehonte Schneidkante (E) ist robust und daher optimal zum Schruppen. Die maximale Schnitttiefe beträgt 5.50 mm. Auch für die Fräs-Bearbeitung von Stahl (P) ist sie bestens geeignet.
- Substrat:
- Wolframkarbid – Hochverschleissfester Hartmetallwerkstoff mit exzellenter Kombination aus Härte und Zähigkeit – ideal für universelle Dreh‑ und Fräsanwendungen.
- Geometrie:
- EN – Gerundet, neutral – hohe Kantentragfähigkeit und längere Standzeiten bei reduzierter Ausbruchsneigung.
- Sorte:
- DC15 – Feinkornsorte für Stahl, rostfreien Stahl, Grau- und Sphäroguss. Gute Kolkverschleissfestigkeit und Kantenstabilität.
- Eckenradius:
- 0.4 mm – Standardradius für stabile Schlicht- und Schruppprozesse mit hoher Prozesssicherheit. Schlichtvorschub f ≈ 0,15 – 0,25 mm/U → Ra ≈ 0,1 µm.
- Plattenwinkel:
- 90 ° – Präzisere Fräsplatte als SCMT. Guter Kompromiss zwischen Stabilität und Schneidwirkung.
- Schnitttiefe ap (Fräsen):
- zwischen 0.06 und 5.5 mm
Werkstoffgruppe | vc max | vc min | fz max | fz min |
---|---|---|---|---|
P1 unlegierter Kohlenstoffstahl | 310 m/min | 240 m/min | 0.08 mm | 0.03 mm |
P2 Vergütungsstahl – Einsatzstahl | 280 m/min | 210 m/min | 0.07 mm | 0.03 mm |
P3 Vergütungsstahl – Werkzeugstahl | 230 m/min | 200 m/min | 0.06 mm | 0.02 mm |
P4 Hochlegierter Werkzeugstahl – Stahlguss | 240 m/min | 210 m/min | 0.06 mm | 0.02 mm |
P5 Hochlegierter Stahlguss | 200 m/min | 160 m/min | 0.05 mm | 0.02 mm |

Eigenschaft | Wert |
---|---|
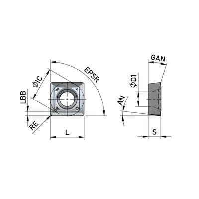
AN — Freiwinkel | 7.0° |
APMX — Schnitttiefe, max. | 5.50 mm |
COATING — Beschichtungsprozess | CVD |
D1 — Durchmesser Befestigungsbohrung | 2.80 mm |
EPSR — Eckenwinkel | 90.0° |
GAN — Spanwinkel, Schneidplatte | 15.0° |
GRADE — Denitool Grade | DC15 |
HAND — Schneidrichtung | Neutral |
IC — Inkreis | 6.35 mm |
IIC — Plattengrösse | SC0602 |
L — Schneidkantenlänge | 6.35 mm |
LBB — Spanbrecherbreite | 0.90 mm |
LE — Schneidenlänge, begrenzt | 6.30 mm |
RE — Eckenradius | 0.40 mm |
S — Plattendicke | 2.38 mm |
SUBSTRATE — Hauptschneidstoff | Hartmetall |
Milling Capability | P1 - Niedriglegierter Kohlenstoffstahl (Rm < 500 MPa - Härte 0.25%), P2 - Legierter Stahl (Rm 500-700 MPa - Härte 140-200 HB - C-Gehalt > 0.25%), P3 - Werkzeugstahl (Rm 900-1100 MPa - Härte 170-275 HB - C-Gehalt > 0.25%), P4 - Legierter Werkzeugstahl (Rm 700-900 MPa), P5 - Legierter Gussstahl (Rm 800-1500 MPa) |
Alle Technologiedaten sind unverbindliche Empfehlungen. Fachspezifisches Wissen im Umgang mit Zerspanungswerkzeugen wird durch diese Plattform nicht ersetzt. Vorschub und Schnitttiefe müssen so gewählt werden, dass der Spanquerschnitt eine Grösse nicht übersteigt, die Werkzeug oder Maschine beschädigen könnte, sowie der Stabilität von Werkstück und Aufspannung genügend Beachtung trägt.