Schnittdaten
Wendeschneidplatte
DCGT 11T304 EN DT55
Empfehlung Drehen
Diese neutral schneidende Wendeschneidplatte der Grösse DC11T3 ist unbeschichtet und aus einem Substrat aus Cermet. Sie entspricht dem Denitool-Grade DT55. Sie verfügt über einen Eckenradius von 0.40 mm, einen Spanwinkel von 12.0° sowie einen Freiwinkel von 7.0°. Die gehonte Schneidkante (E) ist robust und daher optimal zum Schruppen. Die maximale Schnitttiefe beträgt 3.00 mm. Sie eignet sich bestens für die Dreh-Bearbeitung von Stahl (P).
- Substrat:
-
Cermet
– Fortschrittliches Cermet-Material für Schlichtanwendungen mit hervorragender Kantenschärfe und Wärmebeständigkeit – für ausgezeichnete Oberflächenqualität.
- Geometrie:
-
EN
– Gerundet, neutral – hohe Kantentragfähigkeit und längere Standzeiten bei reduzierter Ausbruchsneigung.
- Sorte:
-
DT55
– Cermet unbeschichtet - Für Schlichtanwendungen in Stahl und leicht zerspanbaren rostfreien Stahl bei mittleren Schnittgeschwindigkeiten.
- Eckenradius:
-
0.4 mm
– Standardradius für stabile Schlicht- und Schruppprozesse mit hoher Prozesssicherheit. Schlichtvorschub f ≈ 0,15 – 0,25 mm/U → Ra ≈ 0,1 µm.
- Plattenwinkel:
-
55 °
– Für normale Konturfolgen.
- Schnitttiefe ap (Drehen):
- zwischen 0.08 und 3 mm
Werkstoffgruppe |
vc max |
vc min |
f max |
f min |
P1 unlegierter Kohlenstoffstahl |
460 m/min |
250 m/min |
0.25 mm |
0.06 mm |
P2 Vergütungsstahl – Einsatzstahl |
440 m/min |
220 m/min |
0.25 mm |
0.06 mm |
P3 Vergütungsstahl – Werkzeugstahl |
410 m/min |
200 m/min |
0.25 mm |
0.06 mm |
Eigenschaft |
Wert |
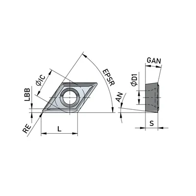
AN — Freiwinkel |
7.0° |
APMX — Schnitttiefe, max. |
3.00 mm |
COATING — Beschichtungsprozess |
Unbeschichtet |
D1 — Durchmesser Befestigungsbohrung |
4.40 mm |
EPSR — Eckenwinkel |
55.0° |
GAN — Spanwinkel, Schneidplatte |
12.0° |
GRADE — Denitool Grade |
DT55 |
HAND — Schneidrichtung |
Neutral |
IC — Inkreis |
9.52 mm |
IIC — Plattengrösse |
DC11T3 |
L — Schneidkantenlänge |
11.62 mm |
LBB — Spanbrecherbreite |
1.20 mm |
LE — Schneidenlänge, begrenzt |
11.60 mm |
RE — Eckenradius |
0.40 mm |
REN — Eckenradius, Nebenecke |
0.00 mm |
S — Plattendicke |
3.97 mm |
SUBSTRATE — Hauptschneidstoff |
Cermet |
Zurück
Alle Technologiedaten sind unverbindliche Empfehlungen. Fachspezifisches Wissen im Umgang mit Zerspanungswerkzeugen wird durch diese Plattform nicht ersetzt. Vorschub und Schnitttiefe müssen so gewählt werden, dass der Spanquerschnitt eine Grösse nicht übersteigt, die Werkzeug oder Maschine beschädigen könnte, sowie der Stabilität von Werkstück und Aufspannung genügend Beachtung trägt.