Schnittdaten
Wendeschneidplatte

CDGT 040104 FN DX52
Diese neutral schneidende Wendeschneidplatte der Grösse CD0401 wird im PVD+PLC-Verfahren auf einem Substrat aus Hartmetall beschichtet. Sie entspricht dem Denitool-Grade DX52. Sie verfügt über einen Eckenradius von 0.40 mm, einen Spanwinkel von 20.0° sowie einen Freiwinkel von 15.0°. Die scharfe Schneidkante (F) eignet sich besonders gut zum Schlichten. Die maximale Schnitttiefe beträgt 0.40 mm. Sie eignet sich bestens für die Dreh-Bearbeitung von rostfreier Stahl (M) und Sonderlegierungen (S). Sie ist gut geeignet für das Drehen von Stahl (P) und Nichteisenmetall (N).
- Substrat:
- Wolframkarbid – Hochverschleissfester Hartmetallwerkstoff mit exzellenter Kombination aus Härte und Zähigkeit – ideal für universelle Dreh‑ und Fräsanwendungen.
- Geometrie:
- FN – Scharfkantig, neutral – exzellente Präzision und Oberflächenqualität für universelles Schlichten.
- Sorte:
- DX52 – Wie DX50 mit PLC-Gleitfilm gegen Kaltschweissungen. Für Stahl, schwer zerspanbaren rostfreien Stahl, Grau- und Sphäroguss bei hohen Schnittgeschwindigkeiten. Hohe thermische Stabilität. Für Trockenbearbeitung bestens geeignet.
- Eckenradius:
- 0.4 mm – Standardradius für stabile Schlicht- und Schruppprozesse mit hoher Prozesssicherheit. Schlichtvorschub f ≈ 0,15 – 0,25 mm/U → Ra ≈ 0,1 µm.
- Plattenwinkel:
- 80 ° – Für einfache Konturfolgen. Guter Kompromiss zwischen Stabilität und Schneidwirkung.
- Schnitttiefe ap (Drehen):
- zwischen 0.01 und 0.4 mm
Werkstoffgruppe | vc max | vc min | f max | f min |
---|---|---|---|---|
P1 unlegierter Kohlenstoffstahl | 380 m/min | 260 m/min | 0.12 mm | 0.01 mm |
P2 Vergütungsstahl – Einsatzstahl | 360 m/min | 240 m/min | 0.12 mm | 0.01 mm |
P3 Vergütungsstahl – Werkzeugstahl | 320 m/min | 200 m/min | 0.05 mm | 0.01 mm |
M1 Rostfreier Stahl | 170 m/min | 160 m/min | 0.12 mm | 0.01 mm |
M2 Rostfreier Stahl, austenitisch, martensitisch | 130 m/min | 110 m/min | 0.12 mm | 0.01 mm |
N1 Kupfer‑Legierungen | 600 m/min | 300 m/min | 0.12 mm | 0.01 mm |
N2 Aluminium‑Legierungen, Si < 12,2 % | 2000 m/min | 500 m/min | 0.12 mm | 0.01 mm |
N3 Aluminium‑Legierungen, Si > 12,2 % | 500 m/min | 250 m/min | 0.12 mm | 0.01 mm |
N4 Plastwerkstoff | 500 m/min | 100 m/min | 0.12 mm | 0.01 mm |
N5 Composite | 80 m/min | 30 m/min | 0.12 mm | 0.01 mm |
S1 Eisenbasislegierung, hitzeresistent | 50 m/min | 15 m/min | 0.05 mm | 0.01 mm |
S2 Kobaltbasislegierung, hitzeresistent | 35 m/min | 10 m/min | 0.05 mm | 0.01 mm |
S3 Nickelbasislegierung, hitzeresistent | 35 m/min | 10 m/min | 0.05 mm | 0.01 mm |
S4 Titan & Titanlegierungen | 120 m/min | 40 m/min | 0.12 mm | 0.01 mm |

Eigenschaft | Wert |
---|---|
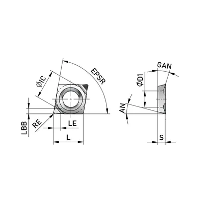
AN — Freiwinkel | 15.0° |
APMX — Schnitttiefe, max. | 0.40 mm |
COATING — Beschichtungsprozess | PVD+PLC |
D1 — Durchmesser Befestigungsbohrung | 2.20 mm |
EPSR — Eckenwinkel | 80.0° |
GAN — Spanwinkel, Schneidplatte | 20.0° |
GRADE — Denitool Grade | DX52 |
HAND — Schneidrichtung | Neutral |
IC — Inkreis | 3.97 mm |
IIC — Plattengrösse | CD0401 |
L — Schneidkantenlänge | 4.03 mm |
LBB — Spanbrecherbreite | 0.50 mm |
LE — Schneidenlänge, begrenzt | 1.56 mm |
RE — Eckenradius | 0.40 mm |
REN — Eckenradius, Nebenecke | 0.00 mm |
S — Plattendicke | 1.00 mm |
SUBSTRATE — Hauptschneidstoff | Hartmetall |
Alle Technologiedaten sind unverbindliche Empfehlungen. Fachspezifisches Wissen im Umgang mit Zerspanungswerkzeugen wird durch diese Plattform nicht ersetzt. Vorschub und Schnitttiefe müssen so gewählt werden, dass der Spanquerschnitt eine Grösse nicht übersteigt, die Werkzeug oder Maschine beschädigen könnte, sowie der Stabilität von Werkstück und Aufspannung genügend Beachtung trägt.